Тут вы можете выбрать необходимый типоразмер: RC17 / RCF17, RC37 / RCF37, RC47 / RCF47, RC57 / RCF57, RC67 / RCF67, RC77 / RCF77, RC87 / RCF87, RC97 / RCF97, RC107 / RCF107, RC137 / RCF137, RC147 / RCF147, RC167 / RCF167
Серия мотор редукторов для металлургии, горнорудной и тяжелой промышленности. Цилиндрическая схема имеет самый высокий КПД и лучше всего подходит для передачи значительной энергии. Серия комплектуется электромоторами 120-45000 Вт. Передаточное число — 1,2-250. Наибольший выходной момент — 8000 Нм. В редукторах серии Н шестерни размещаются в литом толстостенном корпусе из чугуна вместе с гнездами подшипников и с минимальным числом стыков. В размерах R17-R37 возможно применение алюминиевого корпуса. В некоторых моделях вместо стальных шестерен применен хромоникелевый сплав, абразивная стойкость которого превосходит сталь.
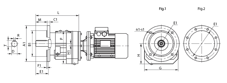
Монтажное исполнение: RC - лапы, RCF - фланец.
Унифицированные присоединительные размеры мотор-редукторов R / RC / RCF обеспечивают взаимозаменяемость с приводами TOS ZNOJMO, Varvel, NORD, Motovario, SITI.
RC - 47 - 67,6 - 20,7 - B3 - 0,55


| типоразмер | присоединительные размеры | выходной вал | габаритные размеры | ||||||||||||||
|---|---|---|---|---|---|---|---|---|---|---|---|---|---|---|---|---|---|
| H | A0 | В0 | A1 | S | D | R | T | E | L | A | В | G | С | P | H1 | H2 | |
| RC17 | 75-0.5 | 110 | 110 | 58 | 9 | 20k6 | 6 | 22.5 | 40 | 174 | 131 | 140 | 140 | 12 | 134 | 0 | - |
| RC27 | 90-0.5 | 130 | 110 | 75 | 9 | 25k6 | 8 | 28 | 50 | 193 | 152 | 145 | 151 | 18 | 147 | 3.4 | - |
| RC37 | 90-0.5 | 130 | 110 | 75 | 9 | 25K6 | 8 | 28 | 50 | 201 | 160 | 145 | 161 | 18 | 151 | 4.9 | - |
| RC47 | 115-0.5 | 165 | 135 | 90 | 13.5 | 30K6 | 8 | 33 | 60 | 235 | 195 | 170 | 184 | 24 | 190 | 15.4 | - |
| RC57 | 115-0.5 | 165 | 135 | 100 | 135 | 35k6 | 10 | 38 | 70 | 257 | 200 | 190 | 202 | 24 | 187 | 11.2 | - |
| RC67 | 130-0.5 | 195 | 150 | 100 | 14 | 35K6 | 10 | 38 | 70 | 280 | 235 | 210 | 221 | 30 | 215 | 19.4 | 243 |
| RC77 | 140-0.5 | 205 | 170 | 115 | 17.5 | 40K6 | 12 | 43 | 80 | 300 | 245 | 230 | 241 | 30 | 234 | 9.9 | 269 |
| RC87 | 180-0.5 | 260 | 215 | 140 | 17.5 | 50K6 | 14 | 53.5 | 100 | 372 | 310 | 290 | 303 | 45 | 298 | 16.8 | 345 |
| RC97 | 225-0.5 | 310 | 250 | 160 | 22 | 60m6 | 18 | 64 | 120 | 440 | 365 | 340 | 354 | 55 | 368 | 11.2 | 418 |
| RC107 | 250-0.5 | 370 | 290 | 185 | 26 | 70m6 | 20 | 74.5 | 140 | 495 | 440 | 400 | 415 | 65 | 411 | 24.4 | 475 |
| RC137 | 315-1 | 410 | 340 | 220 | 33 | 90m6 | 25 | 95 | 170 | 589 | 490 | 450 | 464 | 70 | 505 | 35.2 | 562 |
| RC147 | 355-1 | 500 | 380 | 260 | 39 | 110m6 | 28 | 116 | 210 | 695 | 590 | 530 | 548 | 80 | 569 | 41 | 637 |
| RC167 | 425-1 | 580 | 500 | 270 | 39 | 120m6 | 32 | 127 | 210 | 790 | 670 | 660 | 678 | 100 | 679 | 63 | 749 |
| типоразмер | присоединительные размеры | выходной вал | габаритные размеры | |||||||||||||||
|---|---|---|---|---|---|---|---|---|---|---|---|---|---|---|---|---|---|---|
| Fig. | A1 | E1 | B1(h8) | M | C1 | F1 | n1 | S1 | D | E | T | R | H1 | L | G | P | H | |
| RCF17 | Fig. 1 | 120 140 160 |
100 115 130 |
80 95 110 |
40 | 8 9 10 |
3 3 3.5 |
4 | 6.5 8.5 8.5 |
20k6 | 40 | 22.5 | 6 | - | 179 | 130 | - | 76 |
| RCF27 | Fig. 1 | 120 140 160 |
100 115 130 |
80 95 110 |
50 | 8 9 10 |
3 3 3.5 |
4 | 6.5 9 11 |
25k6 | 50 | 28 | 8 | - | 199 | 142 | - | 92 |
| RCF37 | Fig.1 | 120 160 200 |
100 130 165 |
80 110 130 |
50 | 8 10 12 |
3 3.5 3.5 |
4 | 6.5 9 11 |
25k6 | 50 | 28 | 8 | 4.9 | 201 | 161 | 149 | 90 |
| RCF47 | Fig.1 | 140 160 200 |
115 130 165 |
95 110 130 |
60 | 10 10 12 |
3 3.5 3.5 |
4 | 9 9 11 |
30k6 | 60 | 33 | 8 | 15.4 | 235 | 184 | 190 | 115 |
| RCF57 | Fig.1 | 160 200 250 |
130 165 215 |
110 130 180 |
70 | 10 12 15 |
3.5 3.5 4 |
4 | 9 11 13.5 |
35k6 | 70 | 38 | 10 | 11.2 | 257 | 202 | - | 121 |
| RCF67 | Fig.1 | 200 250 |
165 215 |
130 180 |
70 | 12 15 |
3.5 4 |
4 | 13.5 13.5 |
35k6 | 70 | 38 | 10 | 19.4 | 280 | 221 | 215 | 130 |
| RCF77 | Fig.1 | 250 300 |
215 265 |
180 230 |
80 | 15 18.5 |
4 4 |
4 | 13.5 13.5 |
40к6 | 80 | 43 | 12 | 9.9 | 300 | 241 | 234 | 140 |
| RCF87 | Fig.1 | 300 350 |
265 300 |
230 250 |
100 | 16 18 |
5 5 |
4 | 13.5 17.5 |
50к6 | 100 | 53.5 | 14 | 16.8 | 372 | 303 | 298 | 180 |
| RCF97 | Fig.1 | 350 450 |
300 400 |
250 350 |
120 | 18 22 |
5 5 |
4 | 17.5 17.5 |
60m6 | 120 | 64 | 18 | 11.2 | 440 | 354 | 368 | 225 |
| RCF107 | Fig.1 Fig.2 | 350 450 |
300 400 |
250 350 |
140 | 20 22 |
5 5 |
4 8 | 17.5 17.5 |
70m6 | 140 | 74.5 | 20 | 24.4 | 495 | 415 | 411 | 250 |
| RCF137 | Fig.2 | 450 550 |
400 500 |
350 450 |
170 | 22 25 |
5 | 8 | 17.5 17.5 |
90m6 | 170 | 95 | 25 | 35.2 | 589 | 464 | 505 | 315 |
| RCF147 | Fig.2 | 450 550 |
400 500 |
350 450 |
210 | 22 25 |
5 | 8 | 17.5 17.5 |
110m6 | 210 | 116 | 28 | 41 | 695 | 548 | 569 | 355 |
| RCf167 | Fig.2 | 550 660 |
500 600 |
450 550 |
210 | 25 28 |
6 | 8 | 17.5 22 |
120m6 | 210 | 127 | 32 | 63 | 790 | 678 | 679 | 425 |

| Типоразмер | присоединительные размеры | размеры вала | габаритные размеры | |||||||||||||||
|---|---|---|---|---|---|---|---|---|---|---|---|---|---|---|---|---|---|---|
| HO | A0 | ВО | A1 | dO | d | b | С | I | S | L | A | В | H1 | T | h | h1 | H2 | |
| RC31 | 55 | 110 | 125 | 52 | 9 | 20k6 | 6 | 22.5 | 40 | M6 | 140 | 140 | 160 | 169 | 40 | 12 | 44 | - |
| RC41 | 70 | 110 | 135 | 72 | 11 | 25k6 | 8 | 28 | 50 | M8 | 162 | 140 | 180 | 202 | 45 | 16 | 51 | - |
| RC51 | 80 | 120 | 135 | 75 | 14 | 25k6 | 8 | 28 | 50 | M8 | 170 | 155 | 180 | 218 | 45 | 20 | 60 | - |
| RC71 | 90 | 150 | 170 | 105 | 18 | 40k6 | 12 | 43 | 80 | M12 | 230 | 190 | 230 | 263 | 60 | 25 | 74 | 307 |
| RC81 | 100 | 160 | 215 | 120 | 18 | 45k6 | 14 | 48.5 | 90 | M16 | 250 | 210 | 290 | 320 | 75 | 35 | 95 | 367 |
| RC91 | 120 | 180 | 260 | 133 | 20 | 50k6 | 14 | 53.5 | 100 | M16 | 283 | 240 | 340 | 385 | 80 | 40 | 116 | 442 |
| RC101 | 140 | 210 | 310 | 152 | 22 | 60m6 | 18 | 64 | 120 | M20 | 327 | 270 | 400 | 445 | 90 | 45 | 130 | 515 |
| RC121 | 160 | 270 | 400 | 175 | 26 | 75m6 | 20 | 79.5 | 140 | M24 | 400 | 350 | 510 | 541 | 120 | 55 | 156 | 615 |
| RC151 | 200 | 300 | 500 | 221 | 33 | 90m6 | 25 | 95 | 170 | M24 | 477 | 400 | 620 | 662 | 120 | 70 | 187 | 764 |

| Типоразмер | присоединительные размеры | размеры вала | габаритные размеры | |||||||||||||||
|---|---|---|---|---|---|---|---|---|---|---|---|---|---|---|---|---|---|---|
| D | Fig | D1 | D2 | A1 | R | d0 | d | b | с | I | S | V1 | Р | Р1 | С1 | L | h1 | |
| RCF31 | 160 | 1.1 | 130 | 110h7 | 50 | 3 | 9 | 20к6 | 6 | 22.5 | 40 | М6 | 60 | 114 | - | 8 | 140 | 44 |
| RCF41 | 200 | 1.1 | 165 | 130h7 | 60 | 3.5 | 11 | 25k6 | 8 | 28 | 50 | М8 | 75 | 132 | - | 121 | 162 | 51 |
| RCF61 | 200 | 1.1 | 165 | 130h7 | 60 | 3.5 | 11 | 25к6 | 8 | 28 | 50 | М8 | 69 | 138 | - | 12 | 170 | 60 |
| RCF71 | 250 | 1.1 | 215 | 180h7 | 90 | 4 | 14 | 40к6 | 12 | 43 | 80 | М12 | 84 | 173 | 217 | 15 | 230 | 74 |
| RCF81 | 350 | 1.1 | 300 | 250h7 | 100 | 5 | 18 | 45к6 | 14 | 48.5 | 90 | М16 | 105 | 220 | 267 | 18 | 250 | 95 |
| RCF91 | 400 | 1.2 | 350 | 300h7 | 110 | 5 | 18 | 50к6 | 14 | 53.5 | 100 | М16 | 125 | 265 | 322 | 20 | 283 | 116 |
| RCF101 | 450 | 1.2 | 400 | 350h7 | 130 | 5 | 18 | 60т6 | 18 | 64 | 120 | М20 | 145 | 305 | 375 | 22 | 327 | 130 |
| RCF121 | 450 | 1.2 | 400 | 350h7 | 150 | 5 | 18 | 75т6 | 20 | 79.5 | 140 | М24 | 170 | 381 | 456 | 22 | 400 | 156 |
| RCF151 | 550 | 1.2 | 500 | 450h7 | 180 | 5 | 22 | 90т6 | 25 | 95 | 170 | М24 | 214 | 462 | 564 | 25 | 477 | 187 |

| Типоразмер | Фланец | Fig. | B5 | E5 | F5 | G2 | G5 | S5 | Z5 | D1 | L1 | T1 | U1 |
|---|---|---|---|---|---|---|---|---|---|---|---|---|---|
| RC37 | AM63 | 1 | 95 | 115 | 3.5 | 120 | 140 | M8 | 72 | 11 | 23 | 12.8 | 4 |
| AM71 | 110 | 130 | 160 | 14 | 30 | 16.3 | 5 | ||||||
| Am80 | 130 | 165 | 4.5 | 200 | M10 | 106 | 19 | 40 | 21.8 | 6 | |||
| AM90* | 24 | 50 | 27.3 | 8 | |||||||||
| RC47 RC67 |
AM63 | 1 | 95 | 115 130 |
3.5 | 160 | 140 | M8 | 66 | 11 | 23 | 12.8 | 4 |
| AM71 | 110 | 160 | 14 | 30 | 16.3 | 5 | |||||||
| AM80 | 130 | 165 | 4.5 | 200 | M10 | 99 | 19 | 40 | 21.8 | 6 | |||
| AM90 | 24 | 50 | 27.3 | 8 | |||||||||
| AM 100* | 180 | 215 | 5 | 250 | M12 | 134 | 28 | 60 | 31.3 | 8 | |||
| AM112* | |||||||||||||
| RC77 | AM71 | 1 | 110 | 130 | 3.5 | 200 | 160 | M8 | 60 | 14 | 30 | 16.3 | 5 |
| AM80 | 130 | 165 | 4.5 | 200 | M10 | 92 | 19 | 40 | 21.8 | 6 | |||
| AM90 | 24 | 50 | 27.3 | 8 | |||||||||
| AM 100* | 180 | 215 | 5 | 250 | M12 | 126 | 28 | 60 | 31.3 | 8 | |||
| AM112* | |||||||||||||
| AM 132* | 230 | 265 | 300 | 179 | 38 | 80 | 41.3 | 10 | |||||
| RC87 | AM80 | 1 | 130 | 165 | 4.5 | 250 | 200 | M10 | 87 | 19 | 40 | 21.8 | 6 |
| AM90 | 24 | 50 | 27.3 | 8 | |||||||||
| AM 100 | 180 | 215 | 5 | 250 | M12 | 121 | 28 | 60 | 31.3 | 8 | |||
| AM112 | |||||||||||||
| AM132 | 230 | 265 | 300 | 174 | 38 | 80 | 41.3 | 10 | |||||
| AM 160* | 250 | 300 | 6 | 350 | M16 | 232 | 42 | 110 | 45.3 | 12 | |||
| AM 180* | 48 | 51.8 | 14 | ||||||||||
| RC97 | AM100 | 1 | 180 | 215 | 5 | 300 | 250 | M12 | 116 | 28 | 60 | 31.3 | 8 |
| AM112 | |||||||||||||
| AM132 | 230 | 265 | 300 | 169 | 38 | 80 | 41.3 | 10 | |||||
| AM 160 | 250 | 300 | 6 | 350 | M16 | 227 | 42 | 110 | 45.3 | 12 | |||
| AM 180 | 48 | 51.8 | 14 | ||||||||||
| AM200 | 300 | 350 | 7 | 400 | 268 | 55 | 59.3 | 16 | |||||
| AM225* | 2 | 350 | 400 | 450 | 283 | 60 | 140 | 64.4 | 18 | ||||
| RC107 | AM 100 | 1 | 180 | 215 | 5 | 350 | 250 | M12 | 110 | 28 | 60 | 31.3 | 8 |
| AM112 | |||||||||||||
| AM 132 | 230 | 265 | 300 | 163 | 38 | 80 | 41.3 | 10 | |||||
| AM160 | 250 | 300 | 6 | 350 | M16 | 221 | 42 | 110 | 45.3 | 12 | |||
| AM 180 | 48 | 51.8 | 14 | ||||||||||
| AM200 | 300 | 350 | 7 | 400 | 262 | 55 | 59.3 | 16 | |||||
| AM225 | 2 | 350 | 400 | 450 | 277 | 60 | 140 | 64.4 | 18 | ||||
| RC137 | AM 132 | 1 | 230 | 265 | 5 | 400 | 300 | M12 | 156 | 38 | 80 | 41.3 | 10 |
| AM 160 | 250 | 300 | 6 | 350 | M16 | 214 | 42 | 110 | 45.3 | 12 | |||
| AM 180 | 255 | 48 | 51.8 | 14 | |||||||||
| AM200 | 300 | 350 | 7 | 400 | 55 | 59.3 | 16 | ||||||
| AM225 | 2 | 350 | 400 | 450 | 270 | 60 | 140 | 64.4 | 18 | ||||
| RC147 | AM 132 | 1 | 230 | 265 | 5 | 450 | 300 | M12 | 148 | 38 | 80 | 41.3 | 10 |
| AM 160 | 250 | 300 | 6 | 350 | M16 | 206 | 42 | 110 | 45.3 | 12 | |||
| AM 180 | 48 | 51.8 | 14 | ||||||||||
| AM200 | 300 | 350 | 7 | 400 | 247 | 55 | 59.3 | 16 | |||||
| AM225 | 2 | 350 | 400 | 450 | 262 | 60 | 140 | 64.4 | 18 | ||||
| AM250 | 450 | 500 | 550 | 336 | 65 | 69.4 | |||||||
| AM280 | 75 | 79.9 | 20 | ||||||||||
| RC167 | AM 160 | 1 | 250 | 300 | 6 | 550 | 350 | M16 | 198 | 42 | 110 | 45.3 | 12 |
| AM 180 | 48 | 51.8 | 14 | ||||||||||
| AM200 | 300 | 350 | 7 | 400 | 239 | 55 | 59.3 | 16 | |||||
| AM225 | 2 | 350 | 400 | 450 | 254 | 60 | 140 | 64.4 | 18 | ||||
| AM250 | 450 | 500 | 550 | 328 | 65 | 69.4 | |||||||
| AM280 | 75 | 79.9 | 20 |