Промышленные червячные мотор-редукторы UnitDrive являются эталоном качества и высокой производительности. Разработаны для нужд промышленности и сельского хозяйства и уже более десяти лет справляются с поставленными задачами. В редукторах UnitDrive наряду с качественными материалами применяются инновационные решения в области приводной техники. Вы можете заказать червячные мотор-редукторы UnitDrive следующих типоразмеров: UD-RV 030, UD-RV 040, UD-RV 050, UD-RV 063, UD-RV 075, UD-RV 090, UD-RV 110, UD-RV 130, UD-RV 150
Ведущий азиатский производитель приводной техники UnitDrive рад предложить червячные редукторы оптимальной производительности и высокого качества. Серия UD-RV состоит из девяти типоразмеров и комплектуется асинхронными электродвигателями различной мощности. UD-RV - это высокомощная версия редукторов, которые могут использоваться в промышленном оборудовании. Для редукторов UD-RV характерен низкий уровень шума, небольшая вибрация, стабильная скорость, высокая эффективность и высокий пусковой крутящий момент, что обеспечивает хорошую производительность оборудования. Мощные редукторы бесшумны, устойчивы к ударам и во всех отношениях отвечают высоким требованиям сегодняшнего дня.
Электроприводы комплектуется моторами 0,06 – 15 кВт. Передаточное отношение – от 5 до 100, что соответствует теоретическому пределу для червячной передачи. Крутящий момент от 1,8 до 2600 Нм.


UD-RV – 075 – 20 – 70 – B3 – 0.37
UD-RV – тип мотор-редуктора
075 – типоразмер
20 – передаточное число
70 – частота вращения выходного вала, об/мин
B3 – монтажное исполнение
0,37 – мощность электродвигателя, кВт
| i | n2 | типоразмер | ||||||||
|---|---|---|---|---|---|---|---|---|---|---|
| 030 | 040 | 050 | 063 | 075 | 090 | 110 | 130 | 150 | ||
| 5 | 280 | 599 | 1149 | 1586 | 2062 | 2428 | 2687 | 3389 | 4433 | |
| 7.5 | 186 | 691 | 1325 | 1829 | 2378 | 2799 | 3098 | 3908 | 5112 | 6962 |
| 10 | 140 | 758 | 1454 | 2007 | 2609 | 3072 | 3400 | 4288 | 5610 | 7663 |
| 15 | 94 | 868 | 1665 | 2298 | 2988 | 3518 | 3893 | 4910 | 6424 | 8771 |
| 20 | 70 | 954 | 1829 | 2525 | 3283 | 3665 | 4277 | 5395 | 7057 | 9654 |
| 25 | 56 | 1033 | 1981 | 2735 | 3556 | 4187 | 4633 | 5844 | 7645 | 10400 |
| 30 | 47 | 1086 | 2087 | 2881 | 3745 | 4410 | 4880 | 6155 | 8052 | 11051 |
| 40 | 35 | 1204 | 2309 | 3188 | 4145 | 4880 | 5401 | 6812 | 8912 | 12163 |
| 50 | 28 | 1296 | 2485 | 3431 | 4461 | 5252 | 5812 | 7331 | 9590 | 13103 |
| 60 | 24 | 1381 | 2649 | 3658 | 4756 | 5599 | 6196 | 7815 | 10224 | 13924 |
| 80 | 18 | 1516 | 2907 | 4014 | 5218 | 6144 | 6799 | 8576 | 11219 | 15325 |
| 100 | 14 | 1638 | 3142 | 4338 | 5639 | 6639 | 7348 | 9268 | 12124 | 16508 |
| i | типоразмер | ||||||||
|---|---|---|---|---|---|---|---|---|---|
| 030 | 040 | 050 | 063 | 075 | 090 | 110 | 130 | 150 | |
| 5 | 5,6 | 17 | 23 | ||||||
| 7.5 | 8,2 | 24 | 38 | 68 | 182 | 184 | 345 | 349 | 698 |
| 10 | 11 | 32 | 49 | 99 | 240 | 243 | 455 | 455 | 921 |
| 15 | 15 | 46 | 69 | 142 | 261 | 352 | 660 | 668 | 1351 |
| 20 | 18 | 39 | 89 | 180 | 184 | 458 | 638 | 880 | 1760 |
| 25 | 21 | 47 | 72 | 149 | 225 | 420 | 573 | 1074 | 1576 |
| 30 | 24 | 53 | 81 | 167 | 256 | 479 | 647 | 1228 | 1274 |
| 40 | 19 | 47 | 68 | 152 | 216 | 331 | 638 | 1596 | 1596 |
| 50 | 24 | 38 | 80 | 124 | 189 | 397 | 767 | 1023 | 1426 |
| 60 | 19 | 43 | 89 | 140 | 218 | 448 | 649 | 1179 | 1643 |
| 80 | 14 | 37 | 75 | 115 | 180 | 275 | 402 | 1113 | 1484 |
| 100 | 41 | 60 | 129 | 206 | 315 | 473 | 655 | 1310 | |





|
n2 [min-1] |
R2 [N] |
|||||||
|
UD-RV 030 |
UD-RV 040 |
UD-RV 050 |
UD-RV 063 |
UD-RV 075 |
UD-RV 090 |
UD-RV 110 |
UD-RV 130 |
|
|
187 |
674 |
1264 |
1770 |
2445 |
2824 |
3161 |
5058 |
5732 |
|
140 |
743 |
1392 |
1949 |
2692 |
3110 |
3481 |
5570 |
6313 |
|
93 |
851 |
1596 |
2234 |
3085 |
3564 |
3990 |
6384 |
7235 |
|
70 |
936 |
1754 |
2456 |
3392 |
3918 |
4386 |
7018 |
7953 |
|
56 |
1008 |
1890 |
2646 |
3654 |
4221 |
4725 |
7560 |
8567 |
|
47 |
1069 |
2004 |
2805 |
3874 |
4475 |
5009 |
8014 |
9083 |
|
35 |
1179 |
2210 |
3095 |
4273 |
4937 |
5526 |
8842 |
10021 |
|
28 |
1270 |
2381 |
3334 |
4603 |
5318 |
5953 |
9524 |
10794 |
|
23 |
1356 |
2542 |
3559 |
4915 |
5678 |
6356 |
10170 |
11526 |
|
18 |
1471 |
2759 |
3862 |
5334 |
6162 |
6897 |
11036 |
12507 |
|
14 |
1600 |
3000 |
4200 |
5800 |
6700 |
7500 |
12000 |
13600 |
|
Тип редуктора |
Данные червячного колеса |
Передаточное отношение |
|||||||||||
|
5 |
7.5 |
10 |
15 |
20 |
25 |
30 |
40 |
50 |
60 |
80 |
100 |
||
|
UD-RV 030 |
Z |
6 |
4 |
3 |
2 |
2 |
2 |
1 |
1 |
1 |
1 |
1 |
1 |
|
β |
27° 4' |
24° 28' |
18° 50' |
12° 49' |
10° 23' |
8° 43' |
6° 29' |
5° 14' |
4° 23' |
3° 46' |
2° 57' |
2° 25' |
|
|
UD-RV 040 |
Z |
6 |
4 |
3 |
2 |
2 |
2 |
1 |
1 |
1 |
1 |
1 |
1 |
|
β |
34° 19' |
24° 28' |
18° 50' |
12° 49' |
10° 23' |
8° 43' |
6° 29' |
5° 14' |
4° 23' |
3°46' |
2° 57' |
2° 25' |
|
|
UD-RV 050 |
Z |
6 |
4 |
3 |
2 |
2 |
2 |
1 |
1 |
1 |
1 |
1 |
1 |
|
β |
33° 37' |
23° 54' |
18° 23' |
12° 29' |
10° 6' |
8° 28' |
6° 19' |
5° 5' |
4° 15' |
3° 39' |
2°51' |
2° 20' |
|
|
UD-RV 063 |
Z |
6 |
4 |
3 |
2 |
2 |
2 |
1 |
1 |
1 |
1 |
1 |
1 |
|
β |
34° 23' |
24° 31' |
18° 53' |
12° 50' |
10° 24' |
8° 44' |
6° 30' |
5° 14' |
4° 23' |
3° 47' |
2° 57' |
2° 25' |
|
|
UD-RV 075 |
Z |
- |
4 |
3 |
2 |
2 |
2 |
1 |
1 |
1 |
1 |
1 |
1 |
|
β |
26° 17' |
20° 20' |
13° 52' |
11° 18' |
9° 32' |
7° 2' |
5° 42' |
4° 48' |
4° 8' |
3° 14' |
2° 40' |
||
|
UD-RV 090 |
Z |
4 |
3 |
2 |
2 |
2 |
1 |
1 |
1 |
1 |
1 |
1 |
|
|
β |
29° 11' |
22° 43' |
15° 36' |
12° 50' |
10° 53' |
7° 56' |
6° 30' |
5° 29' |
4° 45' |
3° 45' |
3° 6' |
||
|
UD-RV 110 |
Z |
4 |
3 |
2 |
2 |
2 |
1 |
1 |
1 |
1 |
1 |
1 |
|
|
β |
28° 14' |
21° 56' |
15° 1' |
14° 41' |
12° 34' |
7° 38' |
7° 28' |
6° 21' |
5° 32' |
4° 24' |
3° 39' |
||
|
UD-RV 130 |
Z |
4 |
3 |
2 |
2 |
2 |
1 |
1 |
1 |
1 |
1 |
1 |
|
|
β |
28°43' |
22°20' |
15°19' |
13°47' |
11°54' |
7°48' |
7°00' |
6°01' |
5°16' |
4°08' |
3°27' |
||

| Типоразмер | Двигатели IEC | N | M | P | 5 | 7.5 | 10 | 15 | 20 | 25 | 30 | 40 | 50 | 60 | 80 | 100 | |||
|---|---|---|---|---|---|---|---|---|---|---|---|---|---|---|---|---|---|---|---|
| B5 | B14 | B5 | B14 | B5 | B14 | D | |||||||||||||
| UD-RV 030 | 56B5/B14 | 80 | 50 | 100 | 65 | 120 | 80 | 9 | 9 | 9 | 9 | 9 | 9 | 9 | 9 | 9 | 9 | 9 | - |
| 63В5/В14 | 95 | 60 | 115 | 75 | 140 | 90 | 11 | 11 | 11 | 11 | 11 | 11 | 11 | 11 | 11 | - | - | - | |
| UD-RV 040 | 56B5 | 80 | - | 100 | - | 120 | - | - | - | - | - | - | - | - | - | 9 | 9 | 9 | 9 |
| 63B5/B14 | 95 | 60 | 115 | 75 | 140 | 90 | 11 | 11 | 11 | 11 | 11 | 11 | 11 | 11 | 11 | 11 | 11 | 11 | |
| 71B5/B14 | 110 | 70 | 130 | 85 | 160 | 105 | 14 | 14 | 14 | 14 | 14 | 14 | 14 | 14 | - | - | - | - | |
| 80B5/B14 | 130 | 80 | 165 | 100 | 200 | 120 | 19 | 19 | 19 | 19 | - | - | - | - | - | - | - | - | |
| UD-RV 050 | 63B5 | 95 | - | 115 | - | 140 | - | - | - | - | - | - | - | - | 11 | 11 | 11 | 11 | 11 |
| 71B5/B14 | 110 | 70 | 130 | 85 | 160 | 105 | 14 | 14 | 14 | 14 | 14 | 14 | 14 | 14 | 14 | 14 | 14 | - | |
| 80B5/B14 | 130 | 80 | 165 | 100 | 200 | 120 | 19 | 19 | 19 | 19 | 19 | 19 | 19 | 19 | - | - | - | - | |
| UD-RV 063 | 71B5/B14 | 110 | 70 | 130 | 85 | 160 | 105 | - | - | - | - | - | - | - | 14 | 14 | 14 | 14 | 14 |
| 80B5/B14 | 130 | 80 | 165 | 100 | 200 | 120 | - | 19 | 19 | 19 | 19 | 19 | 19 | 19 | 19 | 19 | 19 | 19 | |
| 90B5/B14 | 130 | 95 | 165 | 115 | 200 | 140 | - | 24 | 24 | 24 | 24 | 24 | 24 | - | - | - | - | - | |
| UD-RV 075 | 80B5/B14 | 130 | 80 | 165 | 100 | 200 | 120 | - | - | - | - | - | - | 19 | 19 | 19 | 19 | 19 | 19 |
| 90B5/B14 | 130 | 95 | 165 | 115 | 200 | 140 | - | 24 | 24 | 24 | 24 | 24 | 24 | 24 | - | - | - | - | |
| 100B5/B14 | 180 | 110 | 215 | 130 | 250 | 160 | - | 28 | 28 | 28 | - | - | - | - | - | - | - | - | |
| 112B5/B14 | 180 | 110 | 215 | 130 | 250 | 160 | - | 28 | - | - | - | - | - | - | - | - | - | - | |
| UD-RV 090 | 80B5/B14 | 130 | 80 | 165 | 100 | 200 | 120 | - | - | - | - | - | - | - | - | 19 | 19 | 19 | 19 |
| 90B5/B14 | 130 | 95 | 165 | 115 | 200 | 140 | - | - | - | - | - | 24 | 24 | 24 | 24 | 24 | - | - | |
| 100B5/B14 | 180 | 110 | 215 | 130 | 250 | 160 | - | 28 | 28 | 28 | 28 | 28 | 28 | - | - | - | - | - | |
| 112B5/B14 | 180 | 110 | 215 | 130 | 250 | 160 | - | 28 | 28 | 28 | 28 | - | - | - | - | - | - | - | |
| UD-RV 110 | 90B5 | 130 | - | 165 | - | 200 | - | - | - | - | - | - | - | - | - | 24 | 24 | 24 | 24 |
| 100B5 | 180 | - | 215 | - | 250 | - | - | 28 | 28 | 28 | 28 | 28 | 28 | 28 | 28 | 28 | - | - | |
| 112B5 | 180 | - | 215 | - | 250 | - | - | 28 | 28 | 28 | 28 | 28 | 28 | - | - | - | - | - | |
| 132B5 | 230 | - | 265 | - | 300 | - | - | 38 | 38 | 38 | 38 | - | - | - | - | - | - | - | |
| UD-RV 130 | 90B5 | 130 | - | 165 | - | 200 | - | - | - | - | - | - | - | - | - | - | - | 24 | 24 |
| 100B5 | 180 | - | 215 | - | 250 | - | - | - | - | - | - | - | - | 28 | 28 | 28 | 28 | 28 | |
| 112B5 | 180 | - | 215 | - | 250 | - | - | 28 | 28 | 28 | 28 | 28 | 28 | 28 | 28 | 28 | - | - | |
| 132B5 | 230 | - | 265 | - | 300 | - | - | 38 | 38 | 38 | 38 | 38 | 36 | 38 | - | - | - | - | |

| UD-RV | A | В | С | C1 | D(H7) | E(h8) | F | G | H | H1 | I | L1 | M | N | O | P | Q | R |
|---|---|---|---|---|---|---|---|---|---|---|---|---|---|---|---|---|---|---|
| 30 | 80 | 97 | 54 | 44 | 14 | 55 | 32 | 56 | 65 | 29 | 55 | 63 | 40 | 57 | 30 | 75 | 44 | 6.5 |
| 40 | 100 | 121.5 | 70 | 60 | 18(19) | 60 | 43 | 71 | 75 | 36.5 | 70 | 78 | 50 | 71.5 | 40 | 87 | 55 | 6.5 |
| 50 | 120 | 144 | 80 | 70 | 25(24) | 70 | 49 | 85 | 85 | 43.5 | 80 | 92 | 60 | 84 | 50 | 100 | 64 | 8.5 |
| 63 | 144 | 174 | 100 | 85 | 25(28) | 80 | 67 | 103 | 95 | 53 | 95 | 112 | 72 | 102 | 63 | 110 | 80 | 8.5 |
| 75 | 172 | 205 | 120 | 90 | 28(35) | 95 | 72 | 112 | 115 | 57 | 112.5 | 120 | 86 | 119 | 75 | 140 | 93 | 11 |
| 90 | 206 | 238 | 140 | 100 | 35(38} | 110 | 74 | 130 | 130 | 67 | 129.5 | 140 | 103 | 135 | 90 | 160 | 102 | 13 |
| 110 | 252.5 | 295 | 170 | 115 | 42 | 130 | - | 144 | 165 | 74 | 160 | 155 | 127.5 | 167.5 | 110 | 200 | 125 | 14 |
| 130 | 292.5 | 335 | 200 | 120 | 45 | 180 | - | 155 | 215 | 81 | 180 | 170 | 147.5 | 187.5 | 130 | 250 | 140 | 16 |
| 150 | 340 | 400 | 240 | 145 | 50 | 180 | - | 185 | 215 | 96 | 210 | 200 | 170 | 230 | 150 | 250 | 180 | 18 |
| UD-RV | S | T | V | PA | PB | PC | PE | PM | PN(H8) | PO | PP | PQ | b | t | a | a1 | kg |
|---|---|---|---|---|---|---|---|---|---|---|---|---|---|---|---|---|---|
| 30 | 21 | 5.5 | 27 | 54.5 | 6 | 4 | M6x11(n=4) | 68 | 50 | 6.5(n=4) | 80 | 70 | 5 | 16.3 | 0° | 45° | 1.2 |
| 40 | 26 | 6.5 | 35 | 67 | 7 | 4 | M6x8(n=4) | 75 | 60 | 9(n=4) | 110 | 95 | 6 | 20.8(21.8) | 45° | 45° | 2.3 |
| 50 | 30 | 7 | 40 | 90 | 9 | 5 | M8x10(n=4) | 85 | 70 | 11(n=4) | 125 | 110 | 8 | 28.3(27.3) | 45° | 45° | 3.5 |
| 63 | 36 | 8 | 50 | 82 | 10 | 6 | M8x14(n=8) | 150 | 115 | 11(n=4) | 180 | 142 | 8 | 28.3(31.3) | 45° | 45° | 6.2 |
| 75 | 40 | 10 | 60 | 111 | 13 | 6 | M8x14(n=8) | 165 | 130 | 14(n=4) | 200 | 170 | 8 | 31.3(38.3) | 45° | 45° | 9 |
| 90 | 45 | 11 | 70 | 111 | 13 | 6 | M10x18(n=8) | 175 | 152 | 14(n=4) | 210 | 200 | 10 | 38.3(41.3) | 45° | 45° | 13 |
| 110 | 50 | 14 | 85 | 131 | 15 | 6 | M10x18(n=8) | 230 | 170 | 14(n=8) | 280 | 260 | 12 | 45.3 | 45° | 45° | 35 |
| 130 | 60 | 15 | 100 | 140 | 15 | 6 | M12x21(n=8) | 255 | 180 | 16(n=8) | 320 | 290 | 14 | 48.8 | 45° | 22.5° | 48 |
| 150 | 72,5 | 18 | 120 | 155 | 15 | 6 | M12x21(n=8) | 255 | 180 | 16(n=8) | 320 | 290 | 14 | 53.8 | 45° | 22.5° | 84 |


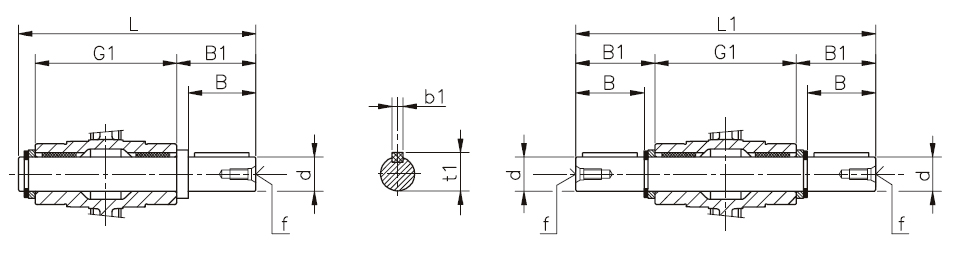
|
Тип |
d |
B |
B1 |
G1 |
L |
L1 |
f |
b1 |
t1 |
|
030 |
14 h6 |
30 |
32.5 |
63 |
102 |
128 |
M6 |
5 |
16 |
|
040 |
18 h6 |
40 |
43 |
78 |
128 |
164 |
M6 |
6 |
20.5 |
|
050 |
25 h6 |
50 |
53.5 |
92 |
153 |
199 |
M10 |
8 |
28 |
|
063 |
25 h6 |
50 |
53.5 |
112 |
173 |
219 |
M10 |
8 |
28 |
|
075 |
28 h6 |
60 |
63.5 |
120 |
192 |
247 |
M10 |
8 |
31 |
|
090 |
35 h6 |
80 |
84.5 |
140 |
234 |
309 |
M12 |
10 |
38 |
|
110 |
42 h6 |
80 |
84.5 |
155 |
249 |
324 |
M16 |
12 |
45 |
|
130 |
45 h6 |
80 |
85 |
170 |
265 |
340 |
M16 |
14 |
48.5 |
|
150 |
50 h6 |
82 |
87 |
200 |
297 |
374 |
M16 |
14 |
53.5 |


|
Тип |
K1 |
G |
KG |
KH |
R |
|
030 |
85 |
14 |
24 |
8 |
15 |
|
040 |
100 |
14 |
31,5 |
10 |
18 |
|
050 |
100 |
14 |
38,5 |
10 |
18 |
|
063 |
150 |
14 |
49 |
10 |
18 |
|
075 |
200 |
25 |
47,5 |
20 |
30 |
|
090 |
200 |
25 |
57,5 |
20 |
30 |
|
110 |
250 |
30 |
62 |
25 |
35 |
|
130 |
250 |
30 |
69 |
25 |
35 |
|
150 |
250 |
30 |
84 |
25 |
35 |