Габаритно-присоединительные размеры RC97









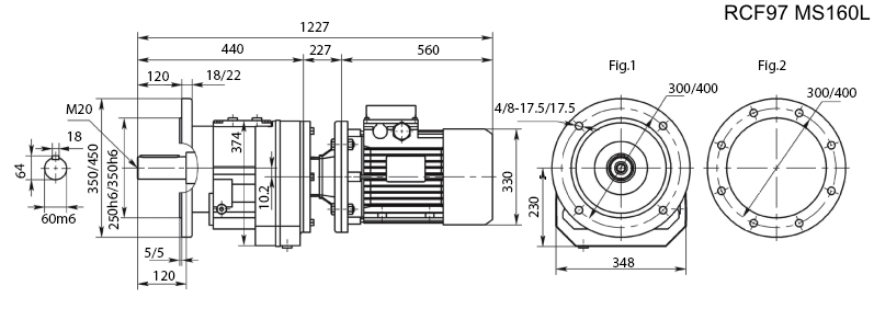
Габаритно-присоединительные размеры RCF97









| Мощность, кВт |
Частота вращения выходного вала, об/мин |
Крутящий момент, Н*м |
Переда- точное число |
Вес, кг |
|---|---|---|---|---|
| 2.2 | 7.6 | 2607 | 187.5 | 169 |
| 8.4 | 2364 | 170 | ||
| 9.2 | 2156 | 155 | ||
| 10.3 | 1914 | 137.6 | ||
| 12.3 | 1608 | 115.6 | ||
| 13.3 | 1480 | 106.4 | ||
| 15.0 | 1314 | 94.49 | ||
| 16.8 | 1174 | 84.4 | ||
| 18.7 | 1055 | 75.84 | ||
| 3 | 10.3 | 2609 | 137.6 | 173 |
| 12.3 | 2192 | 115.6 | ||
| 13.3 | 2018 | 106.4 | ||
| 15.0 | 1792 | 94.49 | ||
| 16.8 | 1601 | 84.4 | ||
| 18.7 | 1438 | 75.84 | ||
| 21.6 | 1247 | 65.74 | ||
| 23.6 | 1143 | 60.28 | ||
| 4 | 15.2 | 2356 | 94.49 | 133 |
| 17.1 | 2104 | 84.4 | ||
| 19.0 | 1891 | 75.84 | ||
| 21.9 | 1639 | 65.74 | ||
| 23.9 | 1503 | 60.28 | ||
| 26.9 | 1334 | 53.52 | ||
| 30.1 | 1192 | 47.81 | ||
| 5.5 | 21.9 | 2254 | 65.74 | 143 |
| 23.9 | 2067 | 60.28 | ||
| 26.9 | 1835 | 53.52 | ||
| 30.1 | 1639 | 47.81 | ||
| 33.5 | 1473 | 42.96 | ||
| 38.7 | 1277 | 37.24 | ||
| 7.5 | 30.5 | 2205 | 47.81 | 162 |
| 34.0 | 1981 | 42.96 | ||
| 39.2 | 1717 | 37.24 | ||
| 43.7 | 1541 | 33.43 | ||
| 54.0 | 1246 | 27.02 | ||
| 58.6 | 1173 | 24.9 | ||
| 69.8 | 985 | 20.92 | ||
| 11 | 43.7 | 2261 | 33.43 | 179 |
| 54.0 | 1827 | 27.02 | ||
| 58.6 | 1720 | 24.9 | ||
| 69.8 | 1445 | 20.92 | ||
| 75.8 | 1330 | 19.26 | ||
| 85.4 | 1181 | 17.1 | ||
| 95.6 | 1055 | 15.27 | ||
| 15 | 69.8 | 1970 | 20.92 | 244 |
| 75.8 | 1814 | 19.26 | ||
| 85.4 | 1611 | 17.1 | ||
| 95.6 | 1438 | 15.27 | ||
| 106.4 | 1292 | 13.72 | ||
| 122.7 | 1121 | 11.9 | ||
| 136.7 | 1006 | 10.68 | ||
| 18.5 | 85.4 | 1986 | 17.1 | 271 |
| 95.6 | 1774 | 15.27 | ||
| 106.4 | 1594 | 13.72 | ||
| 122.7 | 1382 | 11.9 | ||
| 136.7 | 1241 | 10.68 | ||
| 168.4 | 1007 | 8.67 | ||
| 187.2 | 906 | 7.8 | ||
| 22 | 106.4 | 1895 | 13.72 | 282 |
| 122.7 | 1644 | 11.9 | ||
| 136.7 | 1475 | 10.68 | ||
| 168.4 | 1198 | 8.67 | ||
| 187.2 | 1077 | 7.8 | ||
| 215.7 | 935 | 6.77 | ||
| 240.9 | 837 | 6.06 | ||
| 287.4 | 702 | 5.08 | ||
| 30 | 168.4 | 1633 | 8.67 | 340 |
| 187.2 | 1469 | 7.8 | ||
| 215.7 | 1275 | 6.77 | ||
| 240.9 | 1141 | 6.06 | ||
| 287.4 | 957 | 5.08 |