Цилиндрические одноступенчатые редукторы промышленного типа. Применяются для понижения частоты вращения и увеличении крутящего момента. Линейка состоит из четырех типоразмеров с расстоянием между валами от 100 до 250 мм. Понижение угловых скоростей происходит в диапазоне передаточных чисел 2, 2.5, 3.15, 4, 5, 6.3. Допустимый крутящий момент на выходном валу 5000 Нм.
Цилиндрические редукторы 1ЦУ применяются в различных сферах промышленности. Задача редуктора - это принижение частоты вращения и крутящего момента электродвигателя. Выходной и выходные валы расположены параллельно друг от друга. Диапазон передаточных чисел составляет 1,6 до 6,3. Вращения входного вала в обе стороны без потери мощности. Для удобства монтажа заказчику доступны различные варианты сборки. Агрегат зарекомендовал себя как надежное устройство с высокими показателями КПД.


| Типоразмер редуктора | аw | А | A1 | В | B1 | H | H1 | H2 | L1 | L2 | L3 | L4 | L5 | L6 | |
|---|---|---|---|---|---|---|---|---|---|---|---|---|---|---|---|
| 1ЦУ-100 | 100 | 224 | 95 | 132 | 140 | 112 | 224 | 22 | 136 | 155 | 315 | 132 | 85 | 90 | |
| 1ЦУ-160 | 160 | 355 | 125 | 175 | 185 | 170 | 335 | 28 | 218 | 218 | 475 | 195 | 136 | 125 | |
| 1ЦУ-200 | 200 | 437 | 136 | 200 | 212 | 212 | 425 | 36 | 230 | 265 | 580 | 236 | 165 | 160 | |
| 1ЦУ-250 | 250 | 545 | 185 | 250 | 265 | 265 | 530 | 40 | 280 | 315 | 710 | 290 | 212 | 190 | |
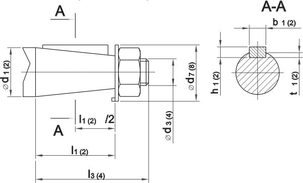
| Типоразмер редуктора | L7 | b1 | b2 | d1 | d2 | d3 | d4 | d5 | d6 | d7 | d8 | h1 | h2 |
|---|---|---|---|---|---|---|---|---|---|---|---|---|---|
| 1ЦУ-100 | 265 | 8 | 10 | 25 | 35 | M16x1,5 | М20х1,5 | 15 | M24x1,5 | 40 | 45 | 7 | 8 |
| 1ЦУ-160 | 412 | 14 | 16 | 45 | 55 | М30х2,0 | МЗ6х3,0 | 24 | M24x1,5 | 63 | 75 | 9 | 10 |
| 1ЦУ-200 | 500 | 16 | 20 | 55 | 70 | М36х3,0 | М48х3,0 | 24 | M24x1,5 | 75 | 100 | 10 | 12 |
| 1ЦУ-250 | 615 | 20 | 25 | 70 | 90 | М48х3,0 | М64х4,0 | 28 | М24х1,5 | 100 | 130 | 12 | 14 |
| Типоразмер редуктора | l1 | l2 | l3 | l4 | t1 | t2 |
|---|---|---|---|---|---|---|
| 1ЦУ-100 | 42 | 58 | 60 | 80 | 4,0 | 5,0 |
| 1ЦУ-160 | 82 | 82 | 110 | 110 | 5,5 | 6,0 |
| 1ЦУ-200 | 82 | 105 | 110 | 140 | 6,0 | 7,5 |
| 1ЦУ-250 | 105 | 130 | 140 | 170 | 7,5 | 9,0 |

| Типоразмер редуктора | Номинальный вращающий момент на выходном валу Мт , Нм | Допускаемая радиальная нагрузка, Н | Объем заливаемого масла, л | Масса кг | |
|---|---|---|---|---|---|
| на входном валу Fвх | на выходном валу Fвых | ||||
| 1ЦУ-100 | 250 | 500 | 2000 | 1 | 27 |
| 1ЦУ-160 | 1000 | 1000 | 4000 | 2 | 75 |
| 1ЦУ-200 | 2000 | 2000 | 5600 | 4 | 135 |
| 1ЦУ-250 | 4000 | 3000 | 8000 | 7,5 | 250 |
| Типоразмер редуктора | Номинальные передаточные числа | |||||
|---|---|---|---|---|---|---|
| 2 | 2,5 | 3,15 | 4 | 5 | 6,3 | |
| 1ЦУ-100 | Не лимитируется | |||||
| ЦУ-160 | ||||||
| 1ЦУ-200 | 80 | 74 | 68 | 60 | 54 | 47 |
| 1ЦУ-250 | 127 | 118 | 108 | 97 | 87 | 76 |
Редуктор 1ЦУ-200-2-11-K-У2: