





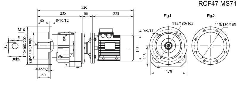
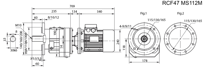
Габаритно-присоединительные размеры RCF47






| Мощность, кВт |
Частота вращения выходного вала, об/мин |
Крутящий момент, Н*м |
Переда- точное число |
Вес, кг |
|---|---|---|---|---|
| 0.18 | 8.0 | 201 | 173.06 | 20 |
| 8.7 | 186 | 160.29 | ||
| 11.2 | 144 | 123.9 | ||
| 12.1 | 133 | 114.7 | ||
| 0.25 | 8.0 | 279 | 173.06 | 20 |
| 8.7 | 259 | 160.29 | ||
| 11.2 | 200 | 123.9 | ||
| 12.1 | 185 | 114.7 | ||
| 12.9 | 174 | 108.04 | ||
| 14.4 | 156 | 96.43 | ||
| 16.0 | 140 | 86.61 | ||
| 0.37 | 11.2 | 296 | 123.9 | 20 |
| 12.1 | 274 | 114.7 | ||
| 12.9 | 258 | 108.04 | ||
| 14.4 | 230 | 96.43 | ||
| 16.0 | 207 | 86.61 | ||
| 20.6 | 162 | 67.6 | ||
| 22.9 | 145 | 60.68 | ||
| 25.7 | 129 | 54.02 | ||
| 0.55 | 16.1 | 308 | 86.61 | 23 |
| 20.7 | 240 | 67.6 | ||
| 23.0 | 216 | 60.68 | ||
| 26.0 | 192 | 54.02 | ||
| 29.0 | 173 | 48.57 | ||
| 34.0 | 148 | 41.73 | ||
| 37.0 | 135 | 37.91 | ||
| 0.75 | 20.6 | 327 | 67.6 | 24 |
| 22.9 | 294 | 60.68 | ||
| 25.7 | 262 | 54.02 | ||
| 28.6 | 235 | 48.57 | ||
| 33.3 | 202 | 41.73 | ||
| 36.7 | 184 | 37.91 | ||
| 42.1 | 160 | 33.01 | ||
| 50.2 | 134 | 27.69 | ||
| 1.1 | 28.8 | 350 | 48.57 | 30 |
| 33.5 | 301 | 41.73 | ||
| 36.9 | 273 | 37.91 | ||
| 42.4 | 238 | 33.01 | ||
| 50.6 | 199 | 27.69 | ||
| 56.9 | 177 | 24.62 | ||
| 68.9 | 146 | 20.31 | ||
| 73.2 | 138 | 19.13 | ||
| 82.0 | 123 | 17.08 | ||
| 91.3 | 110 | 15.34 | ||
| 1.5 | 50.6 | 266 | 27.69 | 33 |
| 56.9 | 242 | 24.62 | ||
| 68.9 | 199 | 20.31 | ||
| 73.2 | 188 | 19.13 | ||
| 82.0 | 168 | 17.08 | ||
| 91.3 | 151 | 15.34 | ||
| 106.2 | 129 | 13.18 | ||
| 117.0 | 118 | 11.97 | ||
| 134.2 | 102 | 10.43 | ||
| 160.0 | 86 | 8.75 | ||
| 185.2 | 74 | 7.56 | ||
| 203.8 | 67 | 6.87 | ||
| 2.2 | 74.2 | 272 | 19.13 | 36 |
| 83.1 | 243 | 17.08 | ||
| 92.6 | 218 | 15.34 | ||
| 107.7 | 187 | 13.18 | ||
| 118.6 | 170 | 11.97 | ||
| 136.1 | 148 | 10.43 | ||
| 162.3 | 124 | 8.75 | ||
| 187.8 | 107 | 7.56 | ||
| 206.7 | 98 | 6.87 | ||
| 237.5 | 85 | 5.98 | ||
| 282.9 | 71 | 5.02 | ||
| 3 | 107.7 | 255 | 13.18 | 40 |
| 118.6 | 232 | 11.97 | ||
| 136.1 | 202 | 10.43 | ||
| 162.3 | 169 | 8.75 | ||
| 187.8 | 146 | 7.56 | ||
| 206.7 | 133 | 6.87 | ||
| 237.5 | 116 | 5.98 | ||
| 282.9 | 97 | 5.02 | ||
| 4 | 240.8 | 152 | 5.98 | 51 |
| 286.9 | 128 | 5.02 |