Мотор-редукторы МЧ - это высокоточные и мощные трехфазные приводы. Они отвечают современным требованиям производительности и безопасности. Недаром их применяют во всех отраслях промышленности, например, на машиностроительных предприятиях. Вы можете заказать следующие мотор-редукторы: МЧ-100, МЧ-125, МЧ-160
Червячный мотор-редуктор МЧ — это механический агрегат, основными элементами которого являются электропривод переменного или постоянного тока и червячная передача. Червячные мотор-редукторы МЧ-160, МЧ-100, МЧ-40, МЧ-63, МЧ-125 обладают высокой плавностью движения и низким уровнем шума. Основными элементами червячного механизма являются: винт (имеющий название червяк) и зубчатое колесо изготовленная из бронзы. Червячная пара, являющаяся основой мотор-редуктора, способна эффективно преобразовывать энергию вращения, получаемую от электродвигателя.
В России немало производственных предприятий, которые применяют в своём оборудование червячные мотор-редукторы МЧ-160, МЧ-100, МЧ-40, МЧ-63, МЧ-125. Сам по себе привод, может применяться в качестве самостоятельного устройства или в составе сложных машин. Устройство червячного типа изготавливается в нескольких модификациях, что позволяет выбрать привод с нужными механическими параметрами. Под определенный режим эксплуатации выбирается электродвигатель определенной мощности отвечающий заявленному крутящему моменту после редукции.
Наша компания предлагает со склада червячные механизмы по низким ценам. Все редукторы отвечают заявленным требованиям качества, что подтверждается соответствующими с сертификатами. Мы стремимся оптимизировать сотрудничество как с крупными так и с небольшими производственными компаниями и поэтому предоставляем гибкую систему скидок.
Мы стремимся облегчить процесс расчёта и дальнейшего внедрения механических редукторов в промышленное оборудованием и поэтому применяем современные программы оптимизации от мировых лидеров редукторостроения.

Рис.1
Габаритные и присоединительные размеры
| ТИПОРАЗМЕР | H2 | H3 | H4 | L1 | L2 | В1 | В2 | В3 | В4 | d |
|---|---|---|---|---|---|---|---|---|---|---|
| МЧ-100 | 312 | 100 | 100 | 240 | 200 | 140 | 175 | 357 | 225 | 19 |
| МЧ-125 | 396 | 111 | 125 | 275 | 230 | 190 | 230 | 390 | 230 | 19 |
| 1МЧ-160 | 465 | 140 | 160 | 350 | 300 | 230 | 280 | 441 | 280 | 22 |
| ТИПОРАЗМЕР | L3 | H1 | ||||||
|---|---|---|---|---|---|---|---|---|
| эл./дв. | АИР90 | АИР100 | АИР112 | АИР132 | АИР90 | АИР100 | АИР112 | АИР132 |
| МЧ-100 | 585 | 600 | - | - | 337 | 337 | - | - |
| МЧ-125 | 665 | 680 | 750 | - | 410 | 410 | 435 | - |
| 1МЧ-160 | - | 760 | 805 | 835 | - | 465 | 475 | 500 |
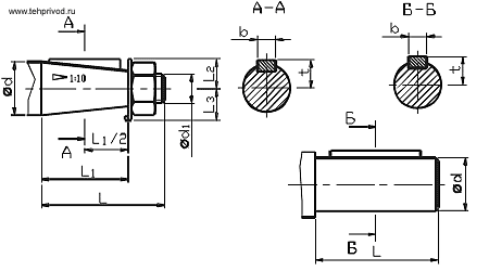
Конический вал

Полый вал

| ТИП | ВЫХДНЫЕ КОНЦЫ ВАЛОВ | L | L1 | L2 | L3 | b | d | d1 | t | m |
|---|---|---|---|---|---|---|---|---|---|---|
| МЧ-100 | Конический | 110 | 82 | 32 | 25 | 12 | 45 | М30х2- 8g | 23,45 | - |
| МЧ-125 | 110 | 82 | 38 | 30 | 14 | 55 | М36х3 -8g | 28,95 | - | |
| 1МЧ-160 | 140 | 105 | 50 | 40 | 18 | 70 | М48х3- 8g | 36,38 | - | |
| МЧ-100 | Цилиндрический | 110 | - | - | - | 14 | 45 | - | 48,5 | - |
| МЧ-125 | 110 | - | - | - | 16 | 55 | - | 59 | - | |
| 1МЧ-160 | 140 | - | - | - | 20 | 70 | - | 74,5 | - | |
| МЧ-100 | Вал полый шлицевой | 205 | 90 | 57,5 | - | - | 45 | 46 | - | 2 |
| МЧ-125 | 230 | 110 | 60 | - | - | 55 | 60 | - | 2,5 | |
| 1МЧ-160 | 275 | 130 | 72,5 | - | - | 70 | 72 | - | 2,5 |

| Номинальная частота вращения выходного вала об/мин | Допускаемая радиальная консольная нагрузка, приложенная к середине посадочной части конца выходного вала, Н | Номинальный крутящий момент на выходном валу Н х м |
КПД, % в непрерыв-ном режиме с ПВ 100%, не менее | Типо-размер двигателя серии АИР | Мощность двигателя, кВт | Корректи-рованный уровень звуковой мощности, дБА, не более | Масса мотор-редуктора кГ, не более | |
|---|---|---|---|---|---|---|---|---|
| Мотор-редуктор МЧ-100 | ||||||||
| 180 | 5500 | 270 | 93 | 112М4 | 5,5 | 80 | 100 | |
| 140 | 350 | 93 | 112М4 | 5,5 | 100 | |||
| 112 | 430 | 92 | 112М4 | 5,5 | 100 | |||
| 90 | 380 | 89 | 100L4 | 4,0 | 90 | |||
| 71 | 350 | 87 | 100S4 | 3,0 | 84 | |||
| 56 | 440 | 87 | 100S4 | 3,0 | 84 | |||
| 45 | 445 | 70 | 100S4 | 3,0 | 84 | |||
| 35,5 | 460 | 78 | 90L4 | 2,2 | 77 | |||
| 28 | 580 | 77 | 90L4 | 2,2 | 77 | |||
| 22,4 | 472 | 69 | 90L6 | 1,5 | 77 | |||
| 18 | 580 | 69 | 90L6 | 1,5 | 77 | |||
| 14 | 625 | 61 | 90L6 | 1,5 | 77 | |||
| 11,4 | 401 | 58 | 90LА8 | 0,75 | 77 | |||
| 8,2 | 506 | 58 | 90LА8 | 0,75 | 77 | |||
| Мотор-редуктор МЧ-125 | ||||||||
| 180 | 8000 | 270 | 93 | 112М4 | 5,5 | 80 | 131 | |
| 140 | 350 | 93 | 112М4 | 5,5 | 131 | |||
| 112 | 430 | 92 | 112М4 | 5,5 | 131 | |||
| 90 | 520 | 89 | 112М4 | 5,5 | 131 | |||
| 71 | 650 | 88 | 112М4 | 5,5 | 131 | |||
| 56 | 595 | 87 | 100L4 | 4,0 | 121 | |||
| 45 | 690 | 81 | 100L4 | 4,0 | 121 | |||
| 35,5 | 640 | 79 | 100S4 | 3,0 | 115 | |||
| 28 | 580 | 77 | 90L4 | 2,2 | 108 | |||
| 22,4 | 715 | 76 | 90L4 | 2,2 | 108 | |||
| 18 | 805 | 69 | 90L4 | 2,2 | 108 | |||
| 14 | 695 | 71 | 90L6 | 1,5 | 108 | |||
| 11,4 | 766 | 68 | 90L6 | 1,5 | 108 | |||
| 8,2 | 760 | 60 | 90LВ8 | 1,1 | 108 | |||
| Мотор-редуктор 1МЧ-160 | ||||||||
| 180 | 11000 | 550 | 94 | 132М4 | 11,0 | 80 | 204 | |
| 140 | 700 | 93 | 132М4 | 11,0 | 204 | |||
| 112 | 870 | 93 | 132М4 | 11,0 | 204 | |||
| 90 | 1060 | 91 | 132М4 | 11,0 | 204 | |||
| 71 | 1300 | 88 | 132М4 | 11,0 | 204 | |||
| 56 | 1630 | 87 | 132М4 | 11,0 | 204 | |||
| 45 | 1935 | 83 | 132М4 | 11,0 | 204 | |||
| 35,5 | 1615 | 79 | 132S4 | 7,5 | 204 | |||
| 28 | 1916 | 73 | 132S4 | 7,5 | 190 | |||
| 22,4 | 1663 | 74 | 112М4 | 5,5 | 163 | |||
| 18 | 2069 | 74 | 112М4 | 5,5 | 163 | |||
| 14 | 1880 | 70 | 112МВ6 | 4,0 | 163 | |||
| 11,4 | 1763 | 66 | 112МА6 | 3,0 | 160 | |||
| 8,2 | 1638 | 66 | 112МА8 | 2,2 | 160 | |||
Мотор-редуктор МЧ–160–56–53-У2, что означает:
МЧ – тип мотор-редуктора
160 – межосевое расстояние, мм
56 – номинальная частота вращения выходного вала, об/мин
53 – вариант сборки по ГОСТ 20373-80
У2 – климатическое исполнение и категория размещения по ГОСТ 15150-69