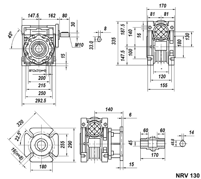
Червячный одноступенчатый редуктор NRV 130 с входным цилиндрическим валом. Предназначен для снижения частоты вращения и увеличения крутящего момента.
Редуктор используется в этих мотор-редакторах NMRV 110, PCRV 090/110, DRV 050/110
Материалы деталей:
NRV - 130 - 30 - B3



| Типоразмер | i | 5 | 7.5 | 10 | 15 | 20 | 25 | 30 | 40 | 50 | 60 | 80 | 100 |
|---|---|---|---|---|---|---|---|---|---|---|---|---|---|
| NRV 130 | m | / | 7 | 7 | 7 | 5.4 | 4.4 | 7 | 5.4 | 4.4 | 3.75 | 2.75 | 2.25 |
| z1 | / | 4 | 3 | 2 | 2 | 2 | 1 | 1 | 1 | 1 | 1 | 1 | |
| y | / | 29°15' | 22°47' | 15°39' | 13°47' | 12°24' | 7°58' | 7°00' | 6°17' | 6°7' | 3°56' | 3°41' | |
| nd | / | 0.911 | 0.891 | 0.872 | 0.860 | 0.845 | 0.803 | 0.779 | 0.758 | 0.749 | 0.671 | 0.657 | |
| ns | / | 0.721 | 0.691 | 0.631 | 0.610 | 0.583 | 0.492 | 0.460 | 0.435 | 0.406 | 0.335 | 0.308 |
| Передаточное отношение | 5 | 7.5 | 10 | 15 | 20 | 25 | 30 | 40 | 50 | 60 | 80 | 100 |
|---|---|---|---|---|---|---|---|---|---|---|---|---|
| Крутящий момент, H*m | 280 | 186 | 140 | 94 | 70 | 56 | 47 | 35 | 28 | 24 | 18 | 14 |
| Допустимая радиальная нагрузка, H | 4433 | 5112 | 5610 | 6424 | 7057 | 7645 | 8052 | 8912 | 9590 | 10224 | 11219 | 12124 |

