
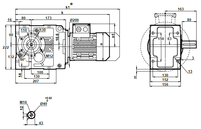
| 71 | 80 | 90S | 90L | 100L | 112M | 132S | 132M | |
|---|---|---|---|---|---|---|---|---|
| k | 465 | 499 | 538 | 538 | 586 | 610 | 696.5 | 696.5 |
| k1 | 556 | 592 | 641.5 | 641.5 | 694.5 | 714.5 | 826.5 | 826.5 |
| n | 137 | 155 | 176 | 176 | 193 | 215 | 257 | 257 |
| n1 | 112 | 121 | 133 | 133 | 147 | 158 | 179 | 179 |
| x | - | - | - | - | - | - | 7.1 | 7.1 |

| 71 | 80 | 90S | 90L | 100L | 112M | 132S | 132M | |
|---|---|---|---|---|---|---|---|---|
| k | 465 | 499 | 538 | 538 | 586 | 610 | 696.5 | 696.5 |
| k1 | 556 | 592 | 641.5 | 641.5 | 694.5 | 714.5 | 826.5 | 826.5 |
| n | 137 | 155 | 176 | 176 | 193 | 215 | 257 | 257 |
| n1 | 112 | 121 | 133 | 133 | 147 | 158 | 179 | 179 |
| x | - | - | - | - | - | - | 7.1 | 7.1 |

| 71 | 80 | 90S | 90L | 100L | 112M | 132S | 132M | |
|---|---|---|---|---|---|---|---|---|
| k | 465 | 499 | 538 | 538 | 586 | 610 | 696.5 | 696.5 |
| k1 | 556 | 592 | 641.5 | 641.5 | 694.5 | 714.5 | 826.5 | 826.5 |
| n | 137 | 155 | 176 | 176 | 193 | 215 | 257 | 257 |
| n1 | 112 | 121 | 133 | 133 | 147 | 158 | 179 | 179 |
| x | - | - | - | - | - | - | 7.1 | 7.1 |

| 71 | 80 | 90S | 90L | 100L | 112M | 132S | 132M | |
|---|---|---|---|---|---|---|---|---|
| k | 465 | 499 | 538 | 538 | 586 | 610 | 696.5 | 696.5 |
| k1 | 556 | 592 | 641.5 | 641.5 | 694.5 | 714.5 | 826.5 | 826.5 |
| n | 137 | 155 | 176 | 176 | 193 | 215 | 257 | 257 |
| n1 | 112 | 121 | 133 | 133 | 147 | 158 | 179 | 179 |
| x | - | - | - | - | - | - | 7.1 | 7.1 |