SK 9012.1 |
SK 9012.1AX |
![]() |
![]() |
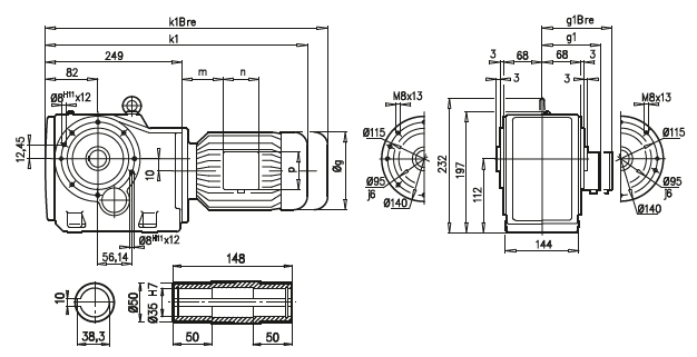
SK 9012.1AF |
SK 9012.1VF |
![]() |
![]() |
| a1 | b1 | c1 | e1 | f1 | s1 |
|---|---|---|---|---|---|
| 200 | 130 | 12 | 165 | 3,5 | 4 x 11 |
| A45 | 63 S/L | 71 S/L | 80 S/L | 90 S/L | 100 L | 112 M |
|---|---|---|---|---|---|---|
| g | 130 | 145 | 165 | 183 | 201 | 228 |
| g1 / g1Bre | 115 / 123 | 124 / 133 | 142 / 142 | 147 / 147 | 169 / 172 | 179 / 182 |
| k1 / k1Bre | 445 / 501 | 485 / 543 | 510 / 574 | 551 / 626 | 581 / 672 | 604 / 697 |
| k / kBre | 434 / 490 | 474 / 532 | 499 / 563 | 540 / 615 | 570 / 661 | 593 / 686 |
| m / mBre | 16 / 23 | 42 / 44 | 47 / 51 | 52 / 56 | 58 / 62 | 74 / 78 |
| n / nBre | 100 / 134 | 100 / 134 | 114 / 153 | 114 / 153 | 114 / 153 | 114 / 153 |
| p / pBre | 100 / 89 | 100 / 89 | 114 / 108 | 114 / 108 | 114 / 108 | 114 / 108 |
SK 9012.1AZ |
![]() |
SK 9012.1 AZD |
SK 9012.1 AZK |
![]() |
![]() |
| A45 | 63 S/L | 71 S/L | 80 S/L | 90 S/L | 100 L | 112 M |
|---|---|---|---|---|---|---|
| g | 130 | 145 | 165 | 183 | 201 | 228 |
| g1 / g1Bre | 115 / 123 | 124 / 133 | 142 / 142 | 147 / 147 | 169 / 172 | 179 / 182 |
| k1 / k1Bre | 445 / 501 | 485 / 543 | 510 / 574 | 551 / 626 | 581 / 672 | 604 / 697 |
| m / mBre | 16 / 23 | 42 / 44 | 47 / 51 | 52 / 56 | 58 / 62 | 74 / 78 |
| n / nBre | 100 / 134 | 100 / 134 | 114 / 153 | 114 / 153 | 114 / 153 | 114 / 153 |
| p / pBre | 100 / 89 | 100 / 89 | 114 / 108 | 114 / 108 | 114 / 108 | 114 / 108 |