![]() |
| ТИП | M_FD M_FA | M_FD | M_FA | |||||||||||
|---|---|---|---|---|---|---|---|---|---|---|---|---|---|---|
| AC | H | L | LD | AD | Вес | LF | Вес | R | AD | R | AD | |||
| A 41 2 | S1 | M1S | 138 | 198.5 | 506 | 216.5 | 108 | 40 | 569 | 43 | 103 | 132 | 124 | 108 |
| A 41 2 | S1 | M1L | 138 | 198.5 | 530 | 216.5 | 108 | 41 | 591 | 44 | 103 | 132 | 124 | 108 |
| A 41 2 | S2 | M2S | 156 | 207.5 | 559 | 232 | 119 | 45 | 629 | 49 | 129 | 143 | 134 | 119 |
| A 41 2 | S3 | M3S | 195 | 227 | 602 | 248 | 142 | 50 | 698 | 58 | 160 | 155 | 160 | 142 |
| A 41 2 | S3 | M3L | 195 | 227 | 634 | 248 | 142 | 58 | 725 | 65 | 160 | 155 | 160 | 142 |
| A 41 2 | S4 | M4 | 258 | 258.5 | 742 | — | 193 | 92 | 851 | 110 | 226 | 193 | 217 | 193 |
| A 41 3 | S05 | M05 | 121 | 245 | 562.5 | — | 95 | 44 | 628.5 | 46 | 96 | 119 | 116 | 95 |
| A 41 3 | S1 | M1S | 138 | 198.5 | 567.5 | — | 108 | 45 | 630.5 | 48 | 103 | 132 | 124 | 108 |
| A 41 3 | S1 | M1L | 138 | 198.5 | 591.5 | — | 108 | 46 | 652.5 | 49 | 103 | 132 | 124 | 108 |
| A 41 3 | S2 | M2S | 156 | 207.5 | 620.5 | — | 119 | 50 | 690.5 | 58 | 129 | 143 | 134 | 119 |
| A 41 3 | S3 | M3S | 195 | 227 | 663.5 | — | 142 | 55 | 759.5 | 62 | 160 | 155 | 160 | 142 |
| A 41 3 | S3 | M3L | 195 | 227 | 695.5 | — | 142 | 61 | 786.5 | 68 | 160 | 155 | 160 | 142 |
![]() |
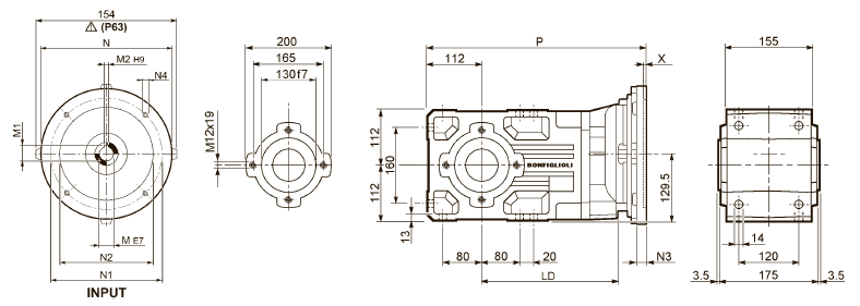
| ТИП | LD | M | M1 | M2 | N | N1 | N2 | N3 | N4 | X | P | Вес | |
|---|---|---|---|---|---|---|---|---|---|---|---|---|---|
| A 41 2 | P63 | 232 | 11 | 12.8 | 4 | 140 | 115 | 95 | — | M8x19 | 4 | 375 | 37 |
| A 41 2 | P71 | 232 | 14 | 16.3 | 5 | 160 | 130 | 110 | — | M8x16 | 4.5 | 375 | 38 |
| A 41 2 | P80 | 248 | 19 | 21.8 | 6 | 200 | 165 | 130 | — | M10x12 | 4 | 394.5 | 39 |
| A 41 2 | P90 | 248 | 24 | 27.3 | 8 | 200 | 165 | 130 | — | M10x12 | 4 | 394.5 | 39 |
| A 41 2 | P100 | — | 28 | 31.3 | 8 | 250 | 215 | 180 | — | M12x16 | 4.5 | 404.5 | 43 |
| A 41 2 | P112 | — | 28 | 31.3 | 8 | 250 | 215 | 180 | — | M12x16 | 4.5 | 404.5 | 43 |
| A 41 2 | P132 | — | 38 | 41.3 | 10 | 300 | 265 | 230 | 16 | 14 | 5 | 441 | 46 |
| A 41 3 | P63 | — | 11 | 12.8 | 4 | 140 | 115 | 95 | — | M8x19 | 4 | 436.5 | 39 |
| A 41 3 | P71 | — | 14 | 16.3 | 5 | 160 | 130 | 110 | — | M8x16 | 4.5 | 436.5 | 39 |
| A 41 3 | P80 | — | 19 | 21.8 | 6 | 200 | 165 | 130 | — | M10x12 | 4 | 456 | 40 |
| A 41 3 | P90 | — | 24 | 27.3 | 8 | 200 | 165 | 130 | — | M10x12 | 4 | 456 | 40 |
| A 41 3 | P100 | — | 28 | 31.3 | 8 | 250 | 215 | 180 | — | M12x16 | 4.5 | 466 | 44 |
| A 41 3 | P112 | — | 28 | 31.3 | 8 | 250 | 215 | 180 | — | M12x16 | 4.5 | 466 | 44 |
![]() |
![]() |
![]() |
![]() |
![]() |
![]() |
![]() |