(495) 227-63-20, 227-64-20

пн-пт: с 9-00 до 18-00 ч, сб-вс: выходной

Каталог товаров

Фильтр

Цена (руб.)
от: до:
Серия
...
Тип редуктора
...
Мощность (кВт)
от: до:
Обороты (об/мин)
от: до:
Двигатель
...
Габарит
...
Передаточное число
...
Вес редуктора (кг)
от: до:
Вес (кг)
от: до:

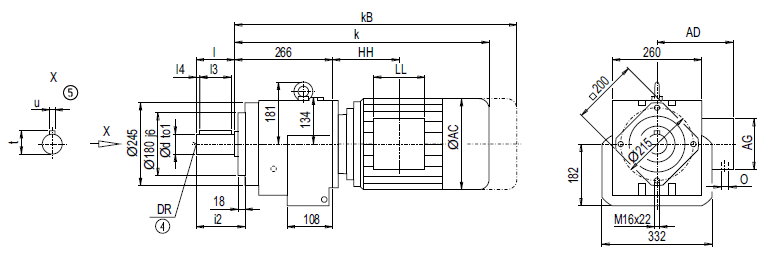
Цилиндрические двух и трехступенчатые мотор-редукторы Motox D88, Z88 Flender

Заказать обратный звонок

(с кодом города)
ЗВОНОК БЕСПЛАТНЫЙ