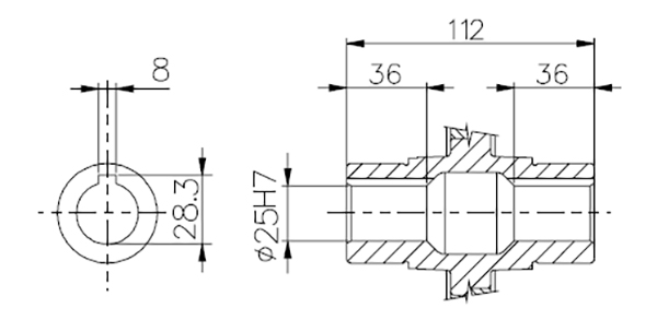
Одноступенчатые мотор редукторы UD-RV 063 с передаточными отношениями i: 5, 7.5, 10, 15, 20, 25, 30, 40, 50, 60, 80, 100. В состав агрегата входят асинхронные электродвигатели мощностью 0,12 - 2,2 кВт или двигатели постоянного тока аналогичной мощности. Агрегат обладает уникальными характеристиками и может эксплуатироваться в различных сферах промышленности. Выходной вал редуктора в штатной комплектации полый диаметром - 25 мм. Имеется шпоночный паз для фиксации съемного вала. На редуктор UD-RV 063 устанавливаются электродвигатели отечественного (ГОСТ) и зарубежного (IEC) стандарта. Корпус редуктора изготовлен методом литья под давлением из легкого алюминия. Дополнительно к приводу UD-RV 063 можно заказать: выходной фланец (FA, FB, FC, FD), односторонний или двусторонний вал и реактивную штангу. Максимальный крутящий момент на тихоходном валу - 180 Нм.
UD-RV - 063 - 40 - 35 - 1,5 - B3
UD-RV - тип мотор-редуктора
063 - типоразмер (межосевое расстояние в мм)
40 - передаточное отношение
35 - частота вращения тихоходного вала, об/мин
1,5 - мощность электродвигателя, кВт
B3 - монтажное положение и уровень масла



| Мощность двигателя, кВт | Частота вращения выходного вала, об/мин | Крутящий момент, Нм | Сервис-фактор | Передаточное число | Двигатель IEC | Радиальная нагрузка, Н |
|---|---|---|---|---|---|---|
| 0,18 | 15.0 | 66 | 2.1 | 60 | 71A6 | 5467 |
| 11.3 | 79 | 1.6 | 80 | 6018 | ||
| 9.0 | 90 | 1.4 | 100 | 6270 | ||
| 0,25 | 28.0 | 56 | 2.4 | 50 | 71А4 | 4440 |
| 23.3 | 63 | 2.0 | 60 | 4719 | ||
| 17.5 | 78 | 1.6 | 80 | 5193 | ||
| 14.0 | 87 | 1.4 | 100 | 5595 | ||
| 18.0 | 81 | 1.8 | 50 | 71В6 | 5145 | |
| 15.0 | 92 | 1.5 | 60 | 5467 | ||
| 11.3 | 110 | 1.2 | 80 | 6018 | ||
| 9.0 | 125 | 1.0 | 100 | 6270 | ||
| 0,37 | 35.0 | 71 | 2.1 | 40 | 71B4 | 4122 |
| 28.0 | 83 | 1.6 | 50 | 4440 | ||
| 23.3 | 94 | 1.4 | 60 | 4719 | ||
| 17.5 | 115 | 1.1 | 80 | 5193 | ||
| 14.0 | 129 | 0.9 | 100 | 5595 | ||
| 45.0 | 60 | 2.4 | 20 | 80A6 | 3791 | |
| 36.0 | 74 | 1.9 | 25 | 4084 | ||
| 30.0 | 82 | 2.1 | 30 | 4339 | ||
| 22.5 | 102 | 1.6 | 40 | 4776 | ||
| 18.0 | 120 | 1.2 | 50 | 5145 | ||
| 15.0 | 137 | 1.0 | 60 | 5467 | ||
| 0,55 | 70.0 | 56 | 1.9 | 40 | 71B2 | 3272 |
| 56.0 | 67 | 1.5 | 50 | 3524 | ||
| 46.7 | 77 | 1.2 | 60 | 3745 | ||
| 35.0 | 95 | 0.9 | 80 | 4122 | ||
| 28.0 | 109 | 0.7 | 100 | 4440 | ||
| 70.0 | 61 | 2.2 | 20 | 80A4 | 3272 | |
| 56.0 | 73 | 1.8 | 25 | 3524 | ||
| 46.7 | 83 | 1.9 | 30 | 3745 | ||
| 35.0 | 105 | 1.4 | 40 | 4122 | ||
| 28.0 | 124 | 1.1 | 50 | 4440 | ||
| 23.3 | 140 | 0.9 | 60 | 4719 | ||
| 60.0 | 71 | 2.2 | 15 | 80B6 | 3444 | |
| 45.0 | 90 | 1.6 | 20 | 3791 | ||
| 36.0 | 109 | 1.3 | 25 | 4084 | ||
| 30.0 | 123 | 1.4 | 30 | 4339 | ||
| 22.5 | 152 | 1.1 | 40 | 4776 | ||
| 0,75 | 140.0 | 43 | 2.3 | 20 | 80А2 | 2597 |
| 112.0 | 52 | 1.8 | 25 | 2797 | ||
| 93.3 | 60 | 2.0 | 30 | 2973 | ||
| 70.0 | 77 | 1.4 | 40 | 3272 | ||
| 56.0 | 91 | 1.1 | 50 | 3524 | ||
| 46.7 | 104 | 0.9 | 60 | 3745 | ||
| 93.3 | 64 | 2.2 | 15 | 80В4 | 2973 | |
| 70.0 | 83 | 1.6 | 20 | 3272 | ||
| 56.0 | 100 | 1.3 | 25 | 3524 | ||
| 46.7 | 114 | 1.4 | 30 | 3745 | ||
| 35.0 | 143 | 1.0 | 40 | 4122 | ||
| 120.0 | 52 | 2.9 | 7.5 | 90S6 | 2734 | |
| 90.0 | 68 | 2.3 | 10 | 3009 | ||
| 60.0 | 97 | 1.6 | 15 | 3444 | ||
| 45.0 | 123 | 1.2 | 20 | 3791 | ||
| 36.0 | 149 | 0.9 | 25 | 4084 | ||
| 30.0 | 167 | 1.0 | 30 | 4339 | ||
| 1,1 | 186.7 | 48 | 2.1 | 15 | 80B2 | 2359 |
| 140.0 | 63 | 1.6 | 20 | 2597 | ||
| 112.0 | 77 | 1.2 | 25 | 2797 | ||
| 93.3 | 88 | 1.4 | 30 | 2973 | ||
| 70.0 | 113 | 1.0 | 40 | 3272 | ||
| 120.0 | 76 | 2.0 | 7.5 | 90L6 | 2734 | |
| 90.0 | 99 | 1.5 | 10 | 3009 | ||
| 60.0 | 142 | 1.1 | 15 | 3444 | ||
| 45.0 | 180 | 0.8 | 20 | 3791 | ||
| 186.7 | 50 | 2.6 | 7.5 | 90S4 | 2359 | |
| 140.0 | 65 | 2.0 | 10 | 2597 | ||
| 93.3 | 93 | 1.5 | 15 | 2973 | ||
| 70.0 | 122 | 1.1 | 20 | 3272 | ||
| 56.0 | 146 | 0.9 | 25 | 3524 | ||
| 46.7 | 167 | 1.1 | 30 | 3745 | ||
| 1,5 | 186.7 | 68 | 1.9 | 7.5 | 90L4 | 2359 |
| 140.0 | 89 | 1.5 | 10 | 2597 | ||
| 93.3 | 127 | 1.1 | 15 | 2973 | ||
| 70.0 | 166 | 0.8 | 20 | 3272 | ||
| 373.3 | 35 | 2.7 | 7.5 | 90S2 | 1873 | |
| 280.0 | 46 | 2.1 | 10 | 2061 | ||
| 186.7 | 66 | 1.6 | 15 | 2359 | ||
| 140.0 | 86 | 1.2 | 20 | 2597 | ||
| 112.0 | 105 | 0.9 | 25 | 2797 | ||
| 93.3 | 120 | 1.0 | 30 | 2973 | ||
| 186.7 | 83 | 1.5 | 7.5 | 90L4 | 2359 | |
| 140.0 | 109 | 1.2 | 10 | 2597 | ||
| 93.3 | 156 | 0.9 | 15 | 2973 | ||
| 2,2 | 373.3 | 51 | 1.8 | 7.5 | 90L2 | 1873 |
| 280.0 | 67 | 1.5 | 10 | 2061 | ||
| 186.7 | 97 | 1.1 | 15 | 2359 |


Выходной односторонний или двухсторонний вал

Реактивная тяга

Выходные фланцы